Jurop

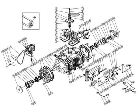
Jurop Oil Fitting - Position 86 - 4026706000

$6.12
 
$6.12
 

Jurop Oil Fitting 90 Deg. 4 x 1/8 - 2 Pcs. Per Pump Required - Position 86 - 4026706000

2 Sold Per Set